Metal cutting and finishing jobs in manufacturing need the right tools for flawless execution. Unitec Toolings offers a wide-range of standard tooling’s to perform these tasks to perfection. Our range of standard tooling’s includes boring bars, inserts, cutters, cartridges, and tool holders.
Our Standard tooling’s are:
- Tested & Certified
- Corrosion Resistant
- Robust
- Durable
- Accurate
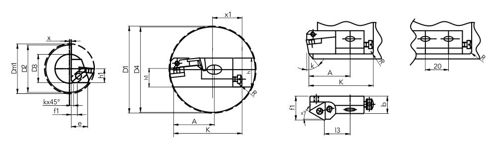
We manufactures all range of ISO Cartridges for boring and chamfering applications. Cartridges save your tool body from accidental damages. They are replaceable and have small radial and axial adjustment.
